韩国信仪(SHINEUI)压力开关
网站编辑:admin │ 发表时间:2015-11-03 │

韩国信仪(SHINEUI)压力开关使用说明书
1.型号:SGPS系列
2.产品适用范围
-根据用户用途,提供符合要求的产品
-可用与检测燃油锅炉、燃气锅炉、其他等产品是否动作。
3.产品特征
-单独检测燃气有、无,并以电信号形式发出。
-在允许压力范围内,可根据用户要求定做。
4.产品参数
|
种类 |
隔膜式 |
||||
|
安装方向 |
垂直 |
||||
|
流体 |
LNG,LPG |
||||
|
电性能 |
5A-250VAC |
||||
|
允许周围温度 |
-15~60℃ |
||||
|
允许压力范围 |
500mbar |
||||
|
组成材料 |
机身(上部) |
PC(G/F30%) |
|||
|
机身(下部) |
铝 |
||||
|
贝罗斯 |
硅胶 |
||||
|
弹簧 |
不锈钢304 |
||||
|
隔膜 |
NBR |
||||
|
最大使用压力 |
500mbar |
||||
|
型号 |
SGPS 3V |
SGPS 3V |
SGPS 3V |
||
|
压力设定 |
设定范围 |
0.4~3.0mbar |
2.5~50mbar |
100~500mbar |
|
|
公差 |
±15% |
||||
|
偏差 |
±15% |
||||
|
末端尺寸 |
Male fast-on 6.3×0.8mm |
||||
|
连接管尺寸 |
PF 1/4‘’ |
||||
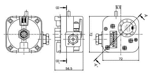
5.产品外形尺寸
6.电气连接图
7.韩国韩国信仪(SHINEUI)压力开关常用型号
SGPS 3V (0.4~3mbar)
SGPS 10V (2~10mbar)
SGPS 50V (2.5~50mbar)
SGPS 150V (30~150mbar)
SGPS 500V (100~500mbar)
SGPS * V (*~*mbar)





























技术咨询QQ
18703971931