燃气烧嘴燃烧系统管路...
天然气高速烧嘴应用
天然气加热炉燃烧系统
天然气烧嘴烤钢包(中...
燃气热处理炉
天然气封头加热炉燃烧...
自吸式烧嘴配套模壳炉
燃气自动控温系统
氧化铝隧道窑
天然气熔铝炉
金属熔化炉
烧嘴安装口
耐火材料倒焰窑
天然气回转窑
还原钛隧道窑
锻造加热炉
燃气烧嘴配套烤包器
天然气化锌炉
退火炉煤改天然气施工...
天然气化铝炉
钢包烘烤器燃气烧嘴
炭化机 炭化炉配套燃烧...
天然气高速低氮烧嘴配...
天然气锻造加热炉配套...
燃气烧嘴配套天然气加...
覆膜砂再生设备配套烧...
网站编辑:admin │ 发表时间:2015-10-12 │
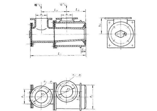
细流股热脏煤气烧嘴也是属于低压煤气烧嘴的一种,它工业生产上是常用的燃烧设备,这种烧嘴空气以多股形式旋流喷出,空气与煤气混合较均匀,火焰较短,对煤气参数要求与套管式烧嘴基本相同。下面是烧嘴的示意图可供参考。
低压细流股热脏煤气烧嘴
细流股热脏煤气烧嘴 单位(mm)
郑州大科环保设备有限公司 版权所有 豫ICP备15037496号-2 电话:0371—63311931 手机18703971931 QQ:2995309153 邮箱:dakehuanbao@163.com
地址:河南省郑州市中原区增晖路59号